新年新气象,许多人会选择换新发色、焕新面貌,但又有染发容易掉色、损伤发质等顾虑。
染发是什么原理?怎样令头发颜色保持亮泽,同时强韧发质?今天我们就来详细说说。
染发过程与褪色原因
染发是怎么上色的?
染发分为两种:
1、无需漂白头发,直接染色。
2、先使用氧化剂(如过氧化氢)将头发漂白,再用染料染色。

染发的基本过程
漂发
通过加热使头发毛鳞片打开,加速氧化剂渗入,让黑色素氧化生成一种无色的新物质,从而使头发颜色变浅;氧化程度越大,头发的颜色越浅[2]。
染色
在碱性条件下,染发剂通过一系列化学反应后,生成不溶性的大分子有色染料,附着、固定在毛发皮质层内部,改变发色,并使之不容易褪色[3]。
染发为何会褪色?
染发褪色是由多种因素造成的:
1、染色不当:染发剂进入头发的输送过程不良、渗透不足等;
2、发质不佳:受损的头发会让染发剂难以附着、容易流失;
3、环境因素:尤其是阳光照射,高温、水洗等也会加速褪色。
这些因素通常是相互作用的,因此,采用多种技术相结合来保护和维持头发的色彩尤为必要。
如何减缓头发褪色?
针对导致褪色的因素,主要有以下方法可以有效减少褪色:
1、提高染发剂的输送渗透效率;
2、封闭和/或恢复头发毛鳞片完整性;
3、沉积高效紫外线吸收剂;
4、提高洗护产品的温和度,选择护色护发配方。
洗护原料研究
聚季铵盐-67
Polyquaternium-67
可为头发提供广谱UV防护,通过抵御UVA的伤害,防止头发因阳光照射而褪色;保护头发纤维在阳光照射下的完整性,提高头发润滑性与柔软度。
颜色保持
在颜色抗冲洗(Colour Washfastness,水洗色牢度)实验中,分别使用基质洗发露与含聚季铵盐-67洗发露对漂染过的发束进行清洗,经测量发现,后者能让头发在经过一系列清洗后仍保持较好的色泽,具备更好地颜色保持力。

颜色抗冲洗结果
护发效果
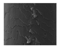
通过使用梳理仪,对标准头发、用基质洗发水与用聚季铵盐-67等处理后的发束分别进行测试,再用扫描电镜拍摄发束受到的伤害,结果如下:
对照标准头发(没有经过UV照射,经过1200次梳理):
头发毛鳞片翘起,梳理使其收到伤害。

用基质洗发水处理后的头发(15天UV照射和1200次梳理):
头发毛鳞片翘起更严重,并使毛鳞片凹陷。

用聚季铵盐-67处理后的头发(15天UV照射和1200次梳理):
头发毛鳞片受到保护,闭合更平整,受到的伤害减少。

聚硅氧烷季铵盐-16
Silicone Quaternium-16
一种水分散性有机硅,易于冲洗,且能为头发增加光泽、柔软度、易梳理性和颜色保持力。
颜色保持
使用聚硅氧烷季铵盐-16与其他两种硅油分别处理漂染发束,结果显示,其在每个处理周期所处理的发色都更深,表现出更好的头发颜色保持能力。

头发颜色保持程度
通过上述研究不难看出,要想保持头发靓丽的色彩,既要保护染料,使其顺利着色,也要保障我们的发质健康,减少染发剂流失。
完美洗护系列测试
基于上述研究,完美研发了荟新护色滋养洗护系列,含活性成分库拉索芦荟叶汁粉、牛油果树果脂、精氨酸、维生素B5、乳酸,以及能抵御外部环境和紫外线破坏的复配硅油等。其专为染烫后发色提供保护,能够在头发上形成一层保护膜,阻止不良环境或阳光对头发的伤害。
由于染烫后的头发油脂薄膜会受到不同程度的损伤,致使头发易出现干枯、无光泽、容易分叉和发脆断裂等问题。对此,完美在权威机构为荟新护色滋养洗护系列安排了一系列测试,包括湿梳理性、单根拉伸等测试,来验证其护发、强韧、柔顺和滋养的功效。
湿梳理性测试

湿梳理性测试表明,样品组(荟新滋养护色洗发露)与对照组(SLS)对受损头发进行处理后,湿梳性有显著差异,样品组显著改善了湿梳性,表示该产品有护发的功效。
单根拉伸测试

单根拉伸测试表明,样品组(荟新滋养护色洗发露)与对照组(SLS)对受损头发进行处理后,样品组单根拉伸断裂所需的力有明显差异,表示该产品有护发、强韧头发的功效。
染发虽能帮助改善我们的面貌,但其对头发结构和头皮的伤害也不容小觑。注意控制染烫频率,正确使用具备固色、护发能力的洗护产品,保障我们的头发健康尤为重要。
祝愿大家在新的一年都能容光焕发,收获健康与美丽!(供稿 完美生科院微信公众号)
责编:樊汝琴
来源:新湖南客户端

湖南日报新媒体



